聯係電話(huà):
0523-8733 8088
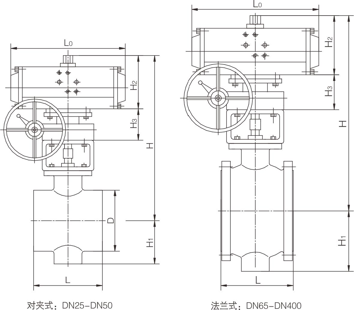
產品詳情(qíng)
V型偏(piān)心球閥(fá)(簡稱偏心球閥)V型球芯(xīn)與密封圈采用獨(dú)特的偏心結構,球芯表麵進行(háng)硬化處理,具有結構緊湊、切斷性能好、使用壽命長等特點,兼備(bèi)調節和切斷兩種功能。廣泛應用(yòng)於化工、電力、輕紡、食品、醫藥、造紙等工業工(gōng)況及市政工程、水廠等管(guǎn)道,對自來水(shuǐ)、汙水、油類液體或空氣、煤氣、天然氣、水蒸汽等(děng)介質進(jìn)行啟閉或調節流量的作用。並得到廣大用戶的一(yī)致好評。






