聯係電(diàn)話(huà):
0523-8733 8088
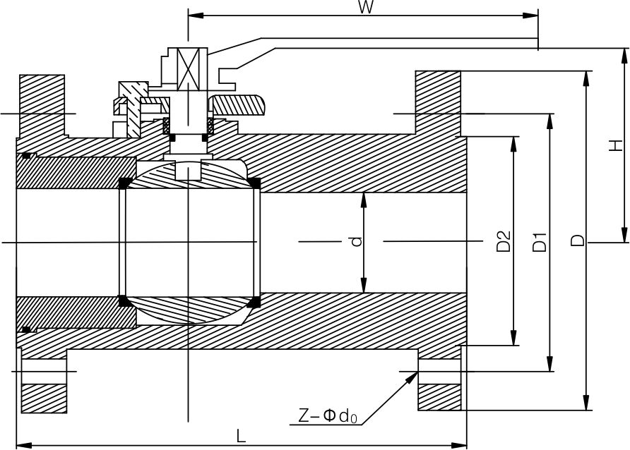
1、閥門采用整體鑄造,杜絕中部外漏,閥蓋采用(yòng)六(liù)角(jiǎo)式,裝配緊實(shí),配套法蘭密封圈,杜絕外漏。
2、防火結構:當發生火災時,球體隨(suí)閥座的介質力,使球體緊密接觸通道口處的金屬唇,達到防火(huǒ)硬密封功能。
3、防靜電結構:不鏽鋼鋼(gāng)珠受(shòu)強力彈簧加載,確保球體,閥(fá)杆和(hé)殼體三者通路,產生的靜電暢通輸出。
4、防(fáng)閥杆飛(fēi)出結構:閥杆一體台階,確保閥杆受壓不飛(fēi)出。
5、閥杆五級(jí)密(mì)封(fēng)結構:第一級為倒密封墊片,第二級(jí)為(wéi)VITON或者全氟迷O型圈,第三級為VITON或者全氮迷O型圈,第四級為V型PTFE、增強密封、柔性石墨、ISO15848填料密封,第五級密封為碟簧墊(diàn),在溫度和壓力(lì)瞬間變(biàn)化(huà),釋放瞬間產生(shēng)的膨脹和壓力值,可以(yǐ)自動補償,從而達到良好的密封效果,保證(zhèng)閥杆的密封(fēng)。
6、閥座(zuò)材料可以多(duō)種選擇,常用日本(běn)大金RPTFE,TFM1600,TFM4215,耐高溫KFM,PEEK,耐低溫PCTFE等。
7、閥座結構為:弧麵密封具有刮刀效果,密封(fēng)更寬,密(mì)封效果更顯著。帶泄壓口,開關更輕巧。







