聯係電話:
0523-8733 8088
產品(pǐn)詳(xiáng)情
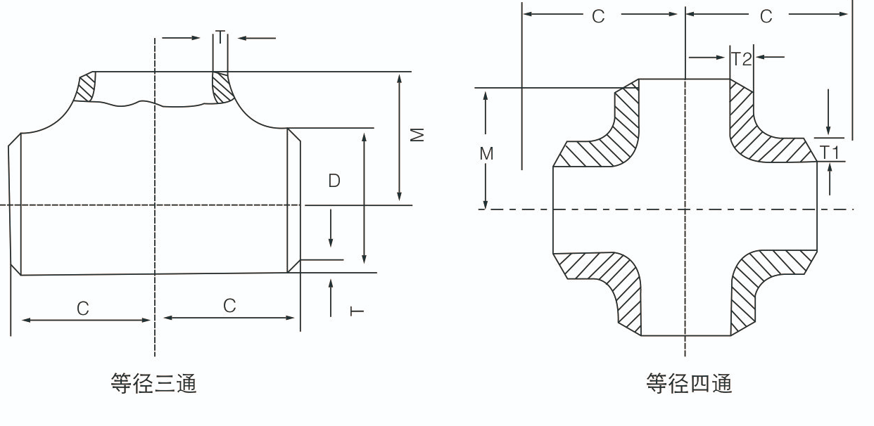
三通又稱管件三通或三通管件、三通(tōng)接頭等。主要用於改變流體的方向,用於主管支管(guǎn)。它可以按管道尺寸進行分(fèn)類。一般由碳鋼、鑄鋼、合金鋼、不鏽鋼、銅、鋁合金、塑料、氬氣、聚(jù)氯乙烯等材料製(zhì)成。


當前位置: 首(shǒu)頁 > 通(tōng)用閥門法(fǎ)蘭管件 > 管件係列
三通又稱管件三通或三通管件、三通(tōng)接頭等。主要用於改變流體的方向,用於主管支管(guǎn)。它可以按管道尺寸進行分(fèn)類。一般由碳鋼、鑄鋼、合金鋼、不鏽鋼、銅、鋁合金、塑料、氬氣、聚(jù)氯乙烯等材料製(zhì)成。



蘇公(gōng)網安備 32128302001489號