Rising stem elastic seat sealing gate valve
Rising stem elastic seat sealing gate valve is a new type of product, which is adapted to the water system by introducing advanced foreign technology, and overcomes the defects of poor sealing, elastic fatigue and easy rusting of general gate valves. Elastic seat-sealed gate valve is the replacement product of traditional gate valve, which achieves good sealing effect by using the compensation function of slight deformation generated by elastic gate valve. The valve has the remarkable advantages of light opening and closing, reliable sealing, good elastic memory and long service life, etc., and can be widely used as a regulating and intercepting device in tap water, sewage, construction, petroleum, chemical industry, food, medicine, light textile, electric power, ship, metallurgy, energy system and other fluid pipelines.
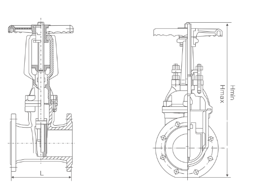
Main outline connection dimensions
|
DN |
50 |
65 |
80 |
100 |
125 |
150 |
200 |
250 |
300 |
350 |
400 |
|
L |
178 |
190 |
203 |
229 |
254 |
267 |
292 |
330 |
356 |
381 |
406 |








