Diaphragm type multifunctional water pump control valve

Technical Parameter
Item model number: JD745X
Nominal diameter: DN50~600mm
Nominal pressure: PN1.0~4.0MPa
Applicable temperature: 0°C~80°C
Applicable medium: water
JD745X diaphragm multi-function
water pump control valve is an intelligent valve installed at the pump
outlet of high-rise building water supply system and other water supply
systems to prevent medium backflow, water hammer and water hammer. The
valve has three functions of electric valve, check valve and water
hammer eliminator, which can effectively improve the safety and
reliability of the water supply system. It integrates the technical
principles of slow opening, quick closing and slow closing to eliminate
water hammer to prevent the occurrence of water hammer when the pump is
opened and when the pump is stopped. Just operate the pump motor opening
and closing button, the valve can be automatically opened and closed
according to the pump operation rules, with large flow and small
pressure loss. Diaphragm type is suitable for valves below DN600mm.
When
the water pump is started, the water pressure acts on the lower part of
the main valve disc and the lower chamber of the control chamber. This
pressure causes the main valve to open. The water in the upper chamber
of the control chamber is slowly discharged to the outlet through the
regulating valve B, and the main valve is slowly opened. . By setting
the opening degree of the regulating valve, an appropriate opening speed
of the main valve can be obtained.
When the water pump stops working, the water pressure at the inlet drops rapidly, and most of the openings are quickly closed under the action of self-weight and spring pressure, preventing the water from flowing backwards. It closes slowly at the bottom, and the closing speed is slowed down to form a buffer to prevent the pressure from increasing sharply.
The opening and closing speed of the valve can be obtained by setting the opening and opening ratio of regulating valves A and B.

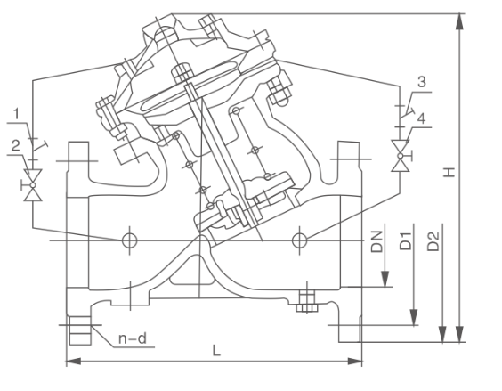
Main External Connection Dimensions
DN | 50 | 65 | 80 | 100 | 125 | 150 | 200 | 250 | 300 | 350 | 400 | 450 | 500 | 600 |
L | 203 | 216 | 250 | 320 | 365 | 415 | 500 | 605 | 698 | 787 | 914 | 978 | 978 | 1150 |
H | 293 | 328 | 364 | 418 | 481 | 543 | 673 | 729 | 927 | 957 | 1188 | 1218 | 1256 | 1600 |








