聯係電話:
0523-8733 8088
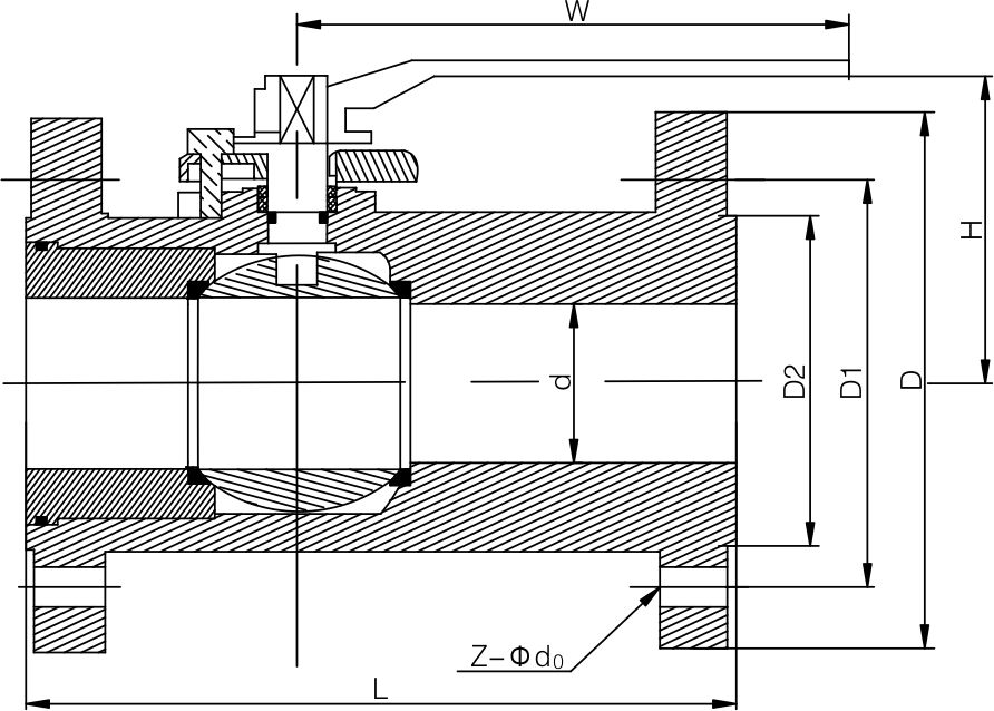
1、閥門采用整體鑄造,杜絕中部外漏,閥蓋采用六角式,裝配(pèi)緊實,配套法蘭密封圈,杜絕外漏。
2、防火結構:當發生(shēng)火災時,球體隨閥座的介質力,使球體緊密接觸通道口處的金(jīn)屬唇,達到防火硬密封功能。
3、防靜電結構:不鏽鋼(gāng)鋼珠受強力彈簧加載,確保球體,閥杆和(hé)殼(ké)體三者通路,產生的靜電暢通輸出。
4、防閥杆飛出結構:閥杆(gǎn)一體台階,確保閥杆受壓不(bú)飛出。
5、閥杆五(wǔ)級密封結構:第一級(jí)為倒密封墊片,第(dì)二級為VITON或者全氟迷O型圈,第三級為VITON或者全氮(dàn)迷O型圈,第四級為V型PTFE、增強密封、柔性(xìng)石墨、ISO15848填料密封,第五級密封為碟簧墊,在溫(wēn)度和壓力瞬間變化,釋放瞬間產生的膨脹和壓力值,可以自(zì)動補償,從而(ér)達到(dào)良好(hǎo)的密封效果,保證閥杆的密(mì)封。
6、閥座材料可以多種選擇,常用(yòng)日本大金RPTFE,TFM1600,TFM4215,耐高(gāo)溫KFM,PEEK,耐低溫PCTFE等。
7、閥座結構為:弧麵密封具有刮刀效果,密封更寬,密封效果更(gèng)顯著。帶泄壓口(kǒu),開關更輕巧。







